SMX Series

SMX Series
SMX Series of magnetically driven non-metallic pumps offer an innovative true self-priming design with no mechanical seals for years of trouble-free service. SMX features our self-radiating bearing structure and our proven non-contact dry-run capability enabling them to withstand the rigors of abnormal operating conditions. Utilizing an integral priming and air separation chamber, the SMX Series offers superior repeatable self-priming performance.
Key Benefits:
- Max. Capacity: Up to 132 GPM
- Quick priming - Able to dry lift up to 13 feet in under 90 seconds.
- Expanded versatility - The SMX has a modular structure to handle liquids with high specific gravities. Use of standard motors extends the range of applications.
- Easy maintenance - The pump wet end can be removed from the motor as a complete assembly without dismantling, thanks to an additional rear casing support. The simple, rugged design with a minimum number of parts allows for easy maintenance.
- Enhanced durability under abnormal operation Our original self-radiation structure (Patented) efficiently disperses bearing friction heat to protect the pump under abnormal operating conditions. In addition, our non-contact structure prevents contact between rear thrust face and bearing, to eliminate heat buildup during dry running.
- Motor options - SMX(F) series mounts to NEMA C-faced motors allowing for limitless voltage and service choices.
Specifications:
SMX Series Specifications

SMX Series Specifications
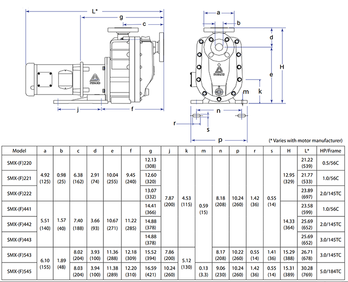
Diagram:
SMX Series Diagram

SMX Series Diagram
Video:
Download Iwaki Self Priming SMX Series Magnetic Drive Pump Datasheet
Call us today at (855) 737-4714 to learn more, or fill out our online form and someone will get back to you.