The model GDI-100-D precision digital gas density indicator adopts the concept of an analogue SF gas density indicator, but operates, however, at such a high level that only digital sensor technology can cope with. The accuracy of digital measurement technology and the simplicity of an analogue gauge are brought together in the GDI-100-D, which, in terms of performance, ease-of-use, and instrument features, is unmatched in SF gas density measurement.
Temporary monitoring
SF? gas-filled switchgear must be monitored, following maintenance and new installation, for a specified time, in order to eliminate any leakage or defective maintenance. The GDI-100-D enables this temporary monitoring and records the parameters gas density, pressure, and temperature.
Accuracy
The GDI-100-D is fitted with the high-precision sensor technology from the model CPG-1500 precision digital pressure gauge and determines the SF gas density with an accuracy of 0.6 %. It is calculated from the parameters of pressure and temperature via a complex virial equation in the internal evaluation electronics. Pressure changes resulting from thermal effects will be compensated by this and will not affect the display value of the gas density. Pressure and gas density can be referenced to 20 C through the temperature compensation. Furthermore, alongside the SF functions, the full scope of functions of a CPG1500 are available.
Features
Precision Digital Gas Density Indicator Model GDI-100-D Features
Through the new and innovative menu navigation, simple operation is ensured. The clear display, with an integral bar graph display and a large text area, assists with the effective analysis of the widest variety of measuring points. Precision Digital Gas Density Indicator.
- High-precision on-site display
- Logger function with up to 3 measured values per second
- Communication and data exchange via WIKA-Wireless
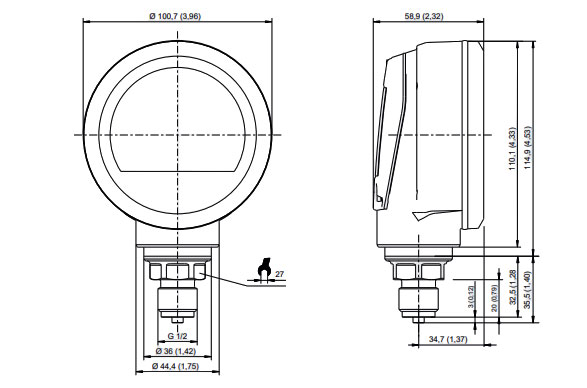
Dimensions
Precision Digital Gas Density Indicator Model GDI-100-D Dimensions
Dimensions in mm (in)
Without protective rubber cap

With protective rubber cap

Applications
Precision Digital Gas Density Indicator Model GDI-100-D Applications
- Internal and external SF gas-insulated equipment
- High- and medium-voltage levels
- Maintenance and service facilities
- Temporary or continuous monitoring of the gas density, pressure, and temperature of closed SF gas tanks
- Recalibration of gas density monitors and gas density indicators
Q & A
Precision Digital Gas Density Indicator Model GDI-100-D Q & A
This digital gas density indicator is suitable for a wide range of industrial environments and applications, including:
- SF? gas-insulated equipment (internal and external)
- High and medium voltage systems
- Service/maintenance facilities
- Temporary or continuous density monitoring of closed SF? gas tanks
- Recalibration of density monitors or indicators
With an IP65 housing and rugged design, it’s built for reliable field operation.
Important technical specs and requirements include:
- Operating temperature: -10°C to +50°C (14°F to 122°F)
- Process connection: G ? B
- Ingress protection: IP65
- Weight: ~680 g (with batteries)
- Mounting: Typically installed with process connection pointing downwards
- Power: Standard AA batteries included; optional wireless communications require compatible hardware and app software.
Review the full datasheet and installation manual before ordering to confirm compatibility with your specific system or SF? gas infrastructure.
Downloads
Download WIKA Precision Digital Gas Density Indicator Model GDI-100-D
Call us today at (855) 737-4714 to learn more, or fill out our online form and someone will get back to you.