Model T5700 is an electro-pneumatic transducer that converts a current signal to a linear pneumatic output, using a force balance system with a flapper and the nozzle to control the pressure in the intermediate housing. Its low droop under flow conditions, allows improved control of downstream pressure.
Operating Principles
The Model T5700 is an electro-pneumatic device that converts a current signal to a linear pneumatic output. This device uses a force balance system in which a built-in supply regulator also functions as a pneumatic amplifier. Together, the flapper and the nozzle work to control the pressure in the intermediate housing. This pressure acts on a diaphragm assembly, which in turn controls the output pressure.
Features
Model T5700 Electro-Pneumatic Transducer Features
- Low droop under flow conditions - allows for improved control of downstream pressure
- Immune to supply pressure change - permits use of normal plant air
- Minimal air use in dead-end service (.05 SCFM) - reduces air consumption and cost
- High forward and exhaust capacity - permits increased process speed
- Output may be directly or inversely proportional to the input - meets a variety of application needs
- Split range operation - permits two or more functions to be controlled from a common signal source
- Built-in supply pressure regulator eliminates the need for a separate regulator
- Wall or panel mounting allows for convenient installation
Specifications
Model T5700 Electro-Pneumatic Transducer Specifications
- Output Range: 3-15 psig, [0.2-1.0 BAR], (20-100 kPa)
- Supply Pressure: 18-150 psig, [1.2-10.0 BAR], (120-1000 kPa)
- Flow Capacity (SCFM):
- 17 (28.9 m3/HR) for 20 psig, [1.4 BAR], (140 kPa)
- 47 (79.9 m3/HR) for 120 psig, [8.0 BAR], (800 kPa)
- Exhaust Capacity (SCFM): over 9 (15.3 m3/HR) for downstream pressure 5 psig, [.035 BAR], (.35 kPa) above setpoint
- Maximum Air Consumption: 0.05 (.08 m3/HR) with 20-120 psig, [1.5-8.0 BAR], (150-800 kPa) supply
- Temperature Range: -40°F to +150°F, (-40°C to +65°C)
- Materials of Construction
- Housing: Aluminum
- Orifice: Sapphire
- Diaphragm: Buna N Dacron Fabric
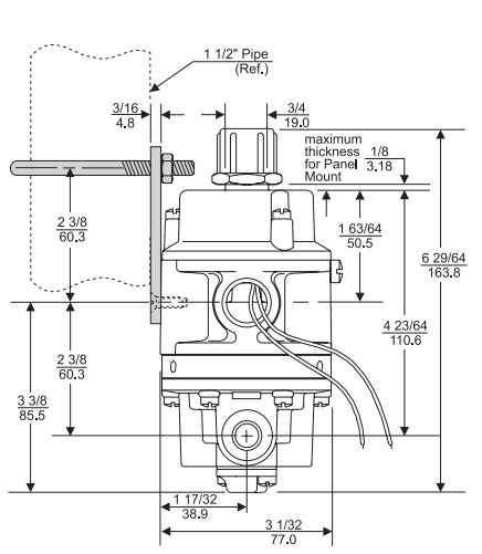
Dimensions
Model T5700 Electro-Pneumatic Transducer Dimensions

Q & A
Model T5700 Electro-Pneumatic Transducer Q & A
Downloads
Download Rotork Fairchild Model T5700 High Flow E/P, I/P Pressure Transducer Datasheet
Call us today at (855) 737-4716 to learn more, or fill out our online form, and someone will get back to you.