Model 21 Adjustable Ratio pneumatic relay has a signal chamber lever arm, whereby the ratio of output pressure to signal pressure is infinitely adjustable. The adjustment range permits signal amplification of 1:30 or signal reduction of 30:1 by rotation of the ratio adjustment knob, which moves the fulcrum.
Operating Principles
The Model 21 consists of a signal chamber lever arm, a Model 20 output valve body, and a pivot assembly for lever arm adjustment. The ratio of output pressure to signal pressure
is infinitely adjustable. The adjustment range permits signal amplification of 1:30 or signal reduction of 30:1 by rotation of the ratio adjustment knob.
The signal pressure acting on the signal chamber diaphragm transmits a force through a lever to the control diaphragm, thus setting the output pressure. The lever fulcrum is adjustable.
Output pressure is a function of signal pressure times the ratio of lever arm lengths on either side of the fulcrum. A bias may be introduced by means of the set screws.
The Model 21D is available with both input and output adjustable bias. Maximum input bias is 3 psig, with a maximum output bias of 9 psig. The basic mathematical expression for the bias in this relay is:
Po = (Ps-K1) R+K2, where
Po = Output pressure
Ps = Input signal
R = Ratio of setting
K1 = Input bias, (-) only
K2 = Output bias, (+) only
Features
Model 21 Adjustable Ratio Relay Features
- Output pressure is a function of signal pressure times the ratio of lever arm lengths on either side of the fulcrum. Bias may be introduced by means of the set screws
- Maximum input bias is 3 psig, with a maximum output bias of 9 psig
- The basic mathematical expression for the bias in this relay is Po = (Ps-K1) R+K2, where Po = Output pressure, Ps = Input signal, R = Ratio of setting, K1 = Input bias, (-) only, and K2 = Output bias, (+) only
- Adjustable from 30:1 dividing ratio to 1:30 multiplying ratio assures infinite pressure adjustments Venturi aspiration system compensates for downstream pressure loss
- Available with both input and output adjustable bias allows versatility in applications
- Floating seal ring isolates control chamber - increased stability by reducing effect of high flows
- Panel or line mounting - easy installation and service in the field
Specifications
Model 21 Adjustable Ratio Relay Specifications
- Flow Capacity: 40 SCFM (68 m3/HR) 100 psig, [7.0 BAR], (700 kPa) supply, 20 psig, [1.5 BAR], (150 kPa)
- Exhaust Capacity: 5.5 SCFM (9.4 m3/HR) (downstream pressure 5 psig, [.35 BAR], (35 kPa) above set pressure)
- Supply Pressure: 250 psig, [1.7 BAR], (1700 kPa) maximum
- Supply Pressure Effect: Less than .1 psig, [.007 BAR], (.7 kPa) for 100 psig, [7.0 BAR], (700 kPa) change
- Signal or Output Pressure: 150 psig, [1.0 BAR], (1000 kPa) maximum
- Ratio Range: 30:1 through 1:30 (signal pressure: output pressure)
- Operating Pressure (minimum): 0.5 psig, [0.03 BAR], (3.5 kPa)
- Sensitivity: 0.5” (1.27 cm) water column
- Ambient Temperature Limits: -40 to +200 °F (-40 to +93.3 °C)
- Materials of Construction:
- Body and Housing: Aluminum
- Trim: Stainless Steel, Brass, and Zinc Plated Steel Diaphragms: Buna N and Dacron
- Lever and Fulcrum: Hardened Steel
Dimensions
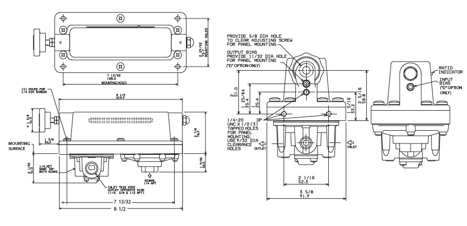
Model 21 Adjustable Ratio Relay Dimensions

Q & A
Model 21 Adjustable Ratio Relay Q & A
The Model 21 relay is a pneumatic, adjustable-ratio relay: it converts an input (signal) pressure into an output pressure by using a lever-arm mechanism, letting you infinitely vary the ratio of output to signal from 1:30 down to 30:1 by turning a ratio-adjustment knob that moves the lever’s fulcrum. You can also introduce bias via set screws, so that the output can be slightly offset (positive or negative) from the pure ratio-based value.
The M21 supports both input and output bias via set screws (in some variants, like the M21D). The maximum input bias is 3 psig, and the maximum output bias is 9 psig. When you include bias in the calculation, the output is governed by the formula: ???? = (???? ? ??1) × ?? + ??2, ?where ???? is the input signal, ?? is the lever-arm ratio, ??1 ?is the input bias, and ??2 is the output bias.
Downloads
Download Rotork Fairchild Model 21 Adjustable Ratio Relay Datasheet
Rotork Fairchild Precision Control Product Overview Catalog
Call us today at (855) 737-4714 to learn more, or fill out our online form and someone will get back to you.