HPP High Pressure Regulator from Rotork Fairchild
Rotork Fairchild HPP is a High Pressure Regulator designed for applications that have high supply pressures and require a much lower output pressure. The HPP pressure regulator is constructed of rugged 316L Stainless Steel for corrosion resistance and durability. The HPP is available in a 2 or 4-port configuration.
Using a high-pressure piston rather than a diaphragm, the HPP series has similar configurations as HPD but is designed for much higher output pressures.
Three available ranges regulate to 3,000 psi output pressure. Note that the supply pressure must always be higher than the desired output pressure.
HPP High Pressure Regulator Features
- Three output pressure ranges from 0-1000 psi, 0-68.9 BAR, 0-6,890 kPa, up to 0-3000 psi, 0-206.8 BAR, -20,680 kPa
- Supply valve Cv of 0.06
- High supply pressure of 6000 psig
- Allows for more throughput of gas
- Three seat material choices (PEEK, CTFE, Vespel)
- New patented valve and valve seat to prevent leakage
- Tamper-proof option
- Offers a variety of choices for compatibility and temperature ranges
- Panel mounting option
HPP High Pressure Regulator Specifications
- Piston-operated regulator
- All 316 stainless steel
- 6,000 psi supply
- Three ranges up to 3,000 psi (200 bar)
- -40° to +500° F (-40° to +260° C)
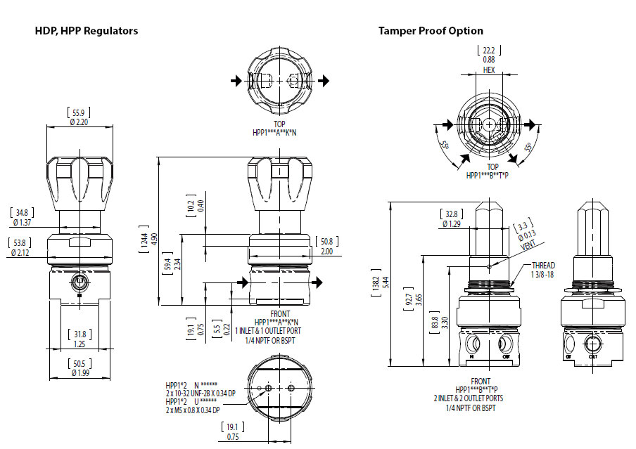
HPP High Pressure Regulator Dimensions

Q&A Section with Expand/Collapse IconsHPP High Pressure Regulator Q & A
+ What inlet and outlet pressure ranges does the HPP support?
The Fairchild HPP regulator is designed for high-pressure applications, supporting inlet pressures up to 6,000 psig. It offers multiple outlet pressure ranges, typically from 0–1,000 psi up to 0–3,000 psi, depending on the chosen model. This wide range makes it suitable for customers who need to safely reduce very high supply pressures while maintaining precise downstream control.
+ What media and environments is the HPP compatible with?
The HPP regulator is manufactured with a 316L stainless steel body and multiple seat material options (PEEK, CTFE, or Vespel), giving it broad compatibility with industrial gases, specialty gases, and demanding environments. Its corrosion-resistant construction ensures reliable performance in harsh or chemically aggressive applications.
+ How leak-tight and reliable is the HPP regulator?
The HPP is engineered for long-term reliability with a patented valve design that minimizes leakage. Its precision construction and stainless-steel materials offer stable and consistent pressure control, even under high supply pressures, making it a dependable choice for critical industrial processes.
+ What flow capacity does the HPP provide, and is it suitable for high-flow applications?
The HPP regulator has a modest flow capacity (Cv 0.06), meaning it is optimized for precise pressure control rather than high-volume delivery. It is ideal for applications requiring accuracy and stability, but is not intended for systems that require very high flow rates or rapid gas throughput.
+ What configuration options are available, and how do I choose the right one?
The HPP series offers multiple configurations, including 2-port or 4-port bodies, several seat material choices, optional tamper-proof designs, and panel-mounting capability. Selecting the right version depends on your media compatibility needs, system layout requirements, and whether your installation demands controlled access or specific mounting styles.