For machinery or instrument builders who need motorized stage movement, smooth motion, and high precision, Parker offers the XLM series. The XLM is a linear positioner actuator that provides micron-level precision in three different profile widths from 125mm to 200 mm. Its modular design allows for easy assembly of multi-axis systems.
The XLM series is a precision-machined, profiled guide linear actuator/positioner that is driven with linear servo motor technology and utilizes selectable levels of linear encoder technology that are configured to match the application need. Learn what the differences are between actuators, stages and positioners.
Within each form factor, Parker offers three options:
- Open Design — for lowest profile and cost-effective motorized solution
- Covered Design — adds protection while maintaining efficient stage movement
- Sealed Design — for environments requiring ingress protection
Have you ever struggled with achieving precision and speed in the same motion application?
Features
Ingress Protection Options
Open Design - Type UA/UB: Open Design for the most cost effective and lowest profile solution. Lightest in weight and physically the smallest of the three styles, the open design also operates with less friction for higher efficiency. Designed to be installed within a protected area while bringing an economical approach through:
- Lower profile
- Narrower width
- Less operating friction
Covered Design - Type CA, CB, CC: Covered design for protection where an open design is not practical. The covered design incorporates a solid top cover which provides effective protection against material or objects that may drop onto the stage. Friction is not increased by the cover, so operating efficiency is not affected.
- Solid top cover
- Protection against falling materials
- No increase in friction
Sealed Design - Type SA, SB, SC: Sealed Design for additional environmental protection. This takes the covered version a step further with side seals in addition to a solid top cover. This provides ingress protection to IP30, preventing entry of foreign objects 2.5mm and larger.
- IP30 environmental protection
- Protection against objects >2.5mm
The XLM family of positioners are ideal for a variety of applications, ranging from imaging systems in digital pathology equipment to metrology instruments in semiconductor or electronics manufacturing. Designed with low Abbe error, consistently accurate positioning is provided.
Know that the XLM has been designed with typical instrument regulations and certifications in mind, as all versions meet CE and RoHS requirements.
One of the biggest advantages offered by the XLM series is its modular design, allowing multiple-axis systems to be assembled easily. Whether your application uses an X-Y gantry, multi-axis stage movement, or a custom actuator/positioner arrangement, the XLM integrates cleanly. Integrated cable management helps keep the system tidy, reducing the need for extra components and simplifying installation.
The XLM also allows flexibility in drive and control. Parker provides a full suite of motor control and servo drive options, but you’re free to pair the stage with third-party drives or controllers. Because the mechanical core is a motorized positioner/actuator, you get precise motion without the complexity of ballscrew backlash or friction — linear motor technology eliminates many of those tradeoffs.
XLM Series Linear Motor Stages Features
- Three form factors: 125mm, 145mm, and 200mm width
- Three enclosure options
- Six different linear encoder options
- Ironless linear motor technology
- Standard travel options ranging from 40mm to 1500mm stroke
- Efficient cable management system
- Integrated and adjustable limit sensing
- Complete error mapping on each unit with linear slope correction value provided
- CE and RoHS Compliance
Specifications
XLM Series Linear Motor Stages Specifications



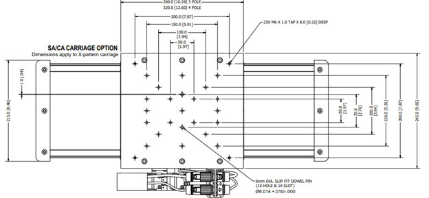
XLM Basic Dimensions
The complete dimensions can be found in the catalog.
Download XLM Series Linear Motor Stages Catalog
XLM125 (Covered/Sealed) – mm [in]

XLM145 (Covered/Sealed) – mm [in]

XLM200 (Covered/Sealed) – mm [in]

Applications
XLM Series Linear Motor Stages Applications
- Electronics Manufacturing
- Metrology
- Life Sciences
- Semiconductor

X-Y configuration using standard open version XLM stages

Three-axis X-X-Y system

Multi-axis system using RTR Modules
Q & A
XLM Series Linear Motor Stages Q & A
With a modular platform and multiple profile widths and enclosure configurations, XLM motorized stages are designed for seamless integration into a variety of motion control systems. This flexibility makes them a strong fit for both OEMs and end-users looking to enhance motor control performance.
XLM stages are equipped with up to six linear encoder options, offering micron-level resolution and accuracy. These feedback options provide the precision needed for today’s most demanding motion profiles.
To support global applications, XLM stages are fully compliant with CE and RoHS standards, ensuring alignment with industry and environmental requirements while delivering a reliable actuator and positioner solution.
Learn what the differences are between actuators, stages and positioners.
At the core of the system is a linear servo motor driving the axis, paired with high-resolution encoder feedback for real-time motor control. This combination ensures micron-level precision, even in the most demanding environments.
The modular architecture allows for flexible integration—whether it's a single-axis positioner, a multi-axis gantry, or a custom actuator setup. What is the difference between actuators, stages and positioners? Thoughtful features like efficient cable management and compact form factors support both performance and ease of installation.
Because they are non-contact and fully motorized, XLM stages are well-suited for industries like electronics manufacturing, metrology, and life sciences, where smooth motion and precision are critical.
Choosing Parker’s XLM linear motor stages means choosing precision-engineered motorized actuator products that outperform traditional ballscrew systems. These stages deliver exceptionally smooth and accurate stage movement, making them a powerful solution for applications where consistency is critical. Learn what the differences are between actuators and stages.
At the heart of the XLM series is ironless linear motor technology, which eliminates cogging for ultra-smooth travel. This is especially valuable in high-precision environments such as semiconductor manufacturing, metrology, and life sciences.
Their modular design offers tremendous flexibility. With multiple profile widths and enclosure options, XLM stages can be tailored to fit your specific space, performance, and integration needs—whether you're building a single-axis positioner or a complex multi-axis motion system.
A wide range of linear encoder options enables micron-level resolution, while robust construction and environmental protection ensure dependable operation across diverse industrial settings. With full CE and RoHS compliance, XLM stages function as a high-performance alternative to mechanical ballscrew actuators in modern motor control applications.
Yes—XLM linear motor stages are built for precision at the highest level. Designed for industries where every micron matters, these motorized positioners deliver consistent, reliable accuracy that meets the demands of today’s most exacting applications. Powered by ironless motor technology, XLM stages eliminate cogging and reduce common sources of motion error found in ballscrew actuators.
Paired with a range of high-resolution linear encoder options, they offer exceptional motor control, ideal for precision applications like electronics manufacturing, metrology, and life sciences.
What sets XLM stages apart is their ability to combine accuracy with versatile integration. Their modular design supports both single-axis setups and complex multi-axis stage movement, making it easy to configure the right actuator product for your needs.
Whether you’re building a new system or upgrading from mechanical ballscrew technology, XLM stages provide the precision, repeatability, and smooth motion performance required to achieve exceptional results.
XLM linear motor stages are ideal for high-precision motion control applications that demand smooth, repeatable stage movement. These motorized actuator products are commonly used in semiconductor handling, photonics alignment, metrology systems, and life science automation. Because they eliminate backlash and friction typically found in ballscrew positioners, XLM stages deliver superior accuracy and speed in any system requiring advanced motor control.
Traditional ballscrew actuators rely on mechanical contact, which leads to backlash, vibration, and higher maintenance. Parker’s XLM series replaces that with ironless linear motor technology for non-contact motion and smoother stage movement. These motorized positioners offer higher acceleration, quieter operation, and longer life than ballscrew-based actuator products, making them an ideal upgrade for precision motion control systems.
Learn what the differences are between actuators, stages and positioners.
Yes. XLM stages are designed as flexible motorized actuator products and integrate easily with third-party motion controllers and automation platforms. They support standard encoder feedback and servo drive architectures, allowing them to function as drop-in replacements for ballscrew positioners, stepper-based systems, or legacy linear actuators. Their compatibility makes them highly adaptable in OEM and custom motor control environments.
Absolutely. XLM stages are engineered as modular motorized actuator products that can be assembled into X-Y, X-Y-Z, or gantry-style systems. They function as high-precision positioners in complex motion architectures where synchronized stage movement is essential. Cable management, profile options, and encoder flexibility make integration easier than with traditional ballscrew-based actuators or mechanical stages.
Learn what the differences are between actuators, stages and positioners.
XLM stages require far less maintenance than ballscrew actuators because their linear motor design features no contacting drive components. As fully motorized positioner products, they eliminate lubrication schedules, screw wear, and backlash correction. Maintenance typically involves verifying encoder alignment, monitoring cables, and checking environmental seals—far simpler than the upkeep required with mechanical ballscrew systems.
- “Actuator” refers to a generic device that causes motion.
- “Stages” refers to a particular form-factor.
- “Positioners” refers to an actuator precise enough that it needs controls.
Learn more about what the differences are between actuators, stages and positioners.
Downloads
XLM Series Linear Motor Stages Downloads
Download XLM Series Linear Motor Stages Datasheet
Download XLM Series Linear Motor Stages Catalog